Gia công inox gọi
0399.766.655
No products in the cart.
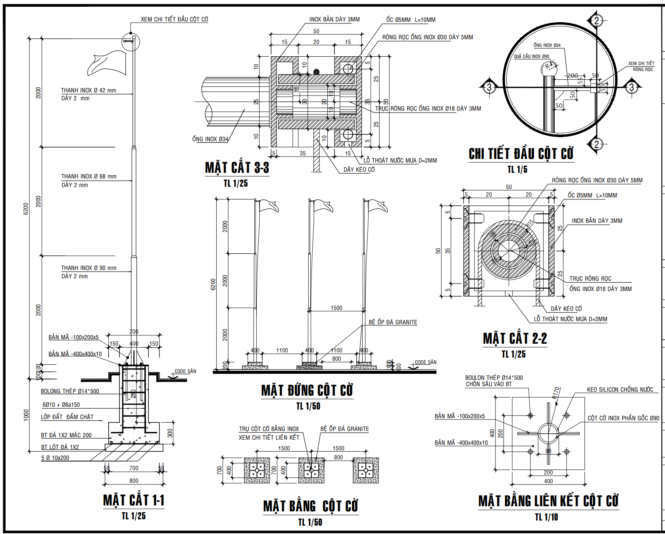
Tổng hợp các loại bản vẽ các thiết bị inox được sản xuất bởi Bách Hóa Môi Trường
Xin chào mọi người lại là Đại đây! Hôm nay, mình xin chia sẻ bản...
Xin chào mọi người lại là Đại đây! Hôm nay, mình xin chia sẻ với...
Xin chào mọi người lại là Đại đây! Hôm nay, bên mình nhận được 1...
Xin chào mọi người lại là Đại đây! Hôm nay, mình xin chia sẻ 1...
Xin chào mọi người lại là Đại đây! Hôm nay mình chia sẻ một bản...
Xin chào mọi người lại là Đại đây! Hôm nay, mình xin chia sẻ 2...
Xin chào mọi người lại là Đại đây! Hôm nay, mình chia sẻ với mọi...
Xin chào mọi người lại là Đại đây! Hôm nay mình chia sẻ bản vẽ...
Bảng giá
Khuyến mãi
Tư vấn
Liên hệ
Lên đầu
Username or email address *
Password *
Remember me Log in
Lost your password?
Email address *
A password will be sent to your email address.
Register