Gia công inox gọi
0399.766.655
No products in the cart.
Tổng hợp các loại bản vẽ các thiết bị inox được sản xuất bởi Bách Hóa Môi Trường
Bách Hóa Inox xin chia sẻ bản vẽ giá để cục nóng điều hòa và...
Bách Hóa Inox xin chia sẻ bản vẽ cốt trục cánh khuấy đường kính thu...
Bách Hóa Inox xin chia sẻ bản vẽ bồn sink inox có 2 tầng để...
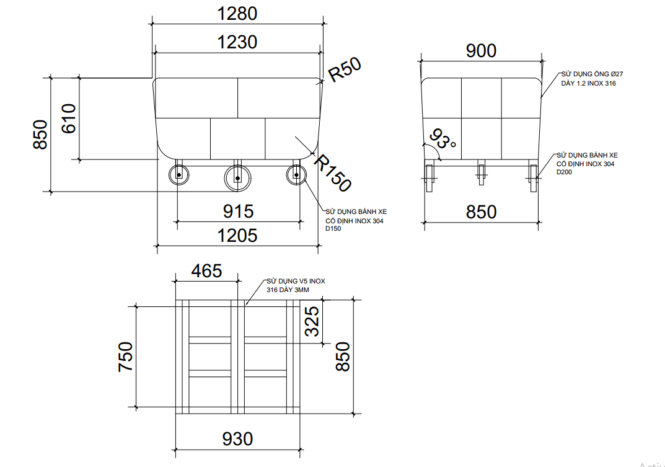
Bách hóa inox xin chia sẻ bản vẽ xe đẩy được làm bằng inox được...
Chia sẻ bản vẽ gạt tàn hình trụ đứng được đặt hàng theo yêu cầu...
Chia sẻ bản vẽ chậu rửa inox 304 cho dự án Bản vẽ Chậu rửa...
Bách Hóa Inox chia sẻ bản vẽ khay để bút cho bảng trắng với thông...
Bách Hóa Inox xin chia sẻ bản vẽ tủ điện inox kích thước Dài x...
Bách Hóa Inox xin chia sẻ bản vẽ sàn thao tác dài x rộng x...
Bách Hóa Inox xin chia sẻ bản vẽ tam cấp 2 bậc làm bệ để...
Bảng giá
Khuyến mãi
Tư vấn
Liên hệ
Lên đầu
Username or email address *
Password *
Remember me Log in
Lost your password?
Email address *
A password will be sent to your email address.
Register